Enfardadora de palets semiautomática de plataforma
Masterplat – Enfardadora de palets semiautomática de plataforma

La Masterplat se concibe como una máquina de gama robusta, fiable y de altas prestaciones. Dispone de un freno mecánico sobre rodillos de retorno que permite un tensado del film constante y uniforme, independientemente del diámetro de la bobina. Incorpora un dispositivo de conexión y desconexión rápida del freno para un fácil enhebrado.
Masterplat también está en versión PGS con sistema de preestiraje motorizado 250 % para el ahorro de film estirable. Gracias al sistema de preestiraje Masterplat puede conseguir un ahorro muy alto en costes de film estirable y consecuentemente una amortización de la máquina mucho más rápida.
Masterplat es una enfardadora de palets flexible y versátil, con un panel de mandos sencillo y práctico, todo lo necesario para enfardar palets de forma eficiente y cómoda. La envolvedora de palets modelo Masterplat de Robopac garantiza un embalado de palets con film estirable uniforme.
Start, Stop y Reset
Control de velocidad giro de la plataforma.
Control de velocidad de la subida de la bobina.
Control de velocidad de la bajada de la bobina.
Bajada y subida manual del carro portabobina
Control de número de vueltas abajo
Control de número de vueltas arriba
Retraso fotocélulas para mejor solapado superior
Control Inicio enfardado desde una altura.
Programa de solo subida.
Programa de subida y bajada.
Programa de ciclo cubrepalet superior.
Posicionamiento manual de la plataforma en fase.
Contador de ciclos para verificación horas/ciclos de trabajo máquina.
3 Programas memorizables.
Ciclo de enfardado “a la carta” control manual subida/bajada bobina.
Avisador de errores en pantalla
Avisador de rotura o fin de bobina film en pantalla (no acústico)
El nuevo panel de mandos con JOG y pantalla gráfica de selección mediante iconos permite un acceso facilitado a los accionamientos y una lectura clara de las configuraciones de trabajo.
- Masterplat con comprensor neumático (opcional) y en versión traspalet.
- Masterplat FRD y PGS
- Masterplat con carro FRD
- Masterplat con carro PGS
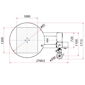
- Plano Masterplat FRD
- Plano Masterplat FRD
Características técnicas: MáquinaMasterplat//Masterplat TP
Altura útil mastil (mm): 2200 std. 2400/2800/3100 opt.//2200 std. 2400/2800/3100 opt.
Diámetro plato (mm): 1650//1500/1650
Capacidad plato (kg): 2000//1500
Velocidad de rotación variable (rpm): 5÷12//5÷12
Velocidad variable de subida/bajada del carro (m/min): 1.4÷4.0//1.4÷4.0
Productividad (pallet/h): 25//25
Tamaño máximo de la paleta (LxW) (mm): 1000×1200// 800×1200
Tipo carro: FRD/PGS//FRD/PGS
Alimentación (VAC): 230Volt 1Ph±10% 50/60 Hz//230Volt 1Ph±10% 50/60 Hz
Parada en fase: STD//STD
Puesta en marcia progresiva: STD//STD
Fotocélula lectura de la altura de la carga: STD//STD
Introducción de horquilla: Anterior y posterior//Posterior
Características eléctricas
Protección implantación eléctrica: IP 54
Protección motores eléctricos: IP 54
Alimentación estándar: 220 V. – Tr+Neutro – 50Hz
Características film estirable
Film estirable: LLDPE en bobinas
Espesor: de 15 a 35 Micras
Capacidad de estiraje en versión FRD: 90-120 % según aplicación y tensión
Capacidad de estiraje en versión PGS: 300 % según aplicación y tensión
Ancho bobina: 500 mm
Diámetro interno: 76 mm
Diámetro externo máximo: 230 mm
Peso máximo bobina: 20 kg
AETNA GROUP fabrica y comercializa a escala mundial máquinas envolvedoras para el envasado y el embalaje con film

Robopack Techlab
extensible, enfajadoras, envasadoras con film termorretráctil, encartonadoras y precintadoras. El grupo cuenta con más de 400 empleados, 80 técnicos dedicados al servicio post venta, con una facturación anual superior a los 85 mill. de Euros. Cuenta con cinco plantas de fabricación para sus 4 marcas comerciales: ROBOPAC, ROBOPAC SISTEMI, DIMAC Y PRASMATIC, con una red de más de 450 agentes y distribuidores y 6 filiales presentes en Francia, Gran Bretaña, Alemania, Estados Unidos, Rusia y China. Con más de 100.000 máquinas vendidas e instaladas en todo el mundo, AETNA GROUP ofrece una amplísima gama de soluciones y servicios para las satisfacer las más variadas exigencias del sector del packaging.

Robopack-línea de producción
ROBOPAC, fundada en 1982, es líder mundial en la tecnología de envoltura con film estirable, con una producción de más de 5.000 máquinas/año, el 70 % exportadas a los principales mercados mundiales. Las tecnologías desarrolladas por la empresa son cuatro: robots, mesas y brazos rotativos para la estabilización de cargas paletizadas mediante film estirable (core business), enrolladores horizontales de film estirable para productos de forma alargada, máquinas para aplicación de film termorretráctil y máquinas precintadoras.Gracias a una tupida red de distribuidores a escala mundial y a los centros de asistencia técnica y a los servicio de recambios presentes en las filiales exteriores, ROBOPAC asegura un servicio post-venta eficaz y rápido.
La certificación ISO 9001, obtenida ya en 1997 y que desde entonces ha sido continuamente renovada, ha supuesto no sólo alcanzar un objetivo de prestigio, pues también y sobre todo ha reforzado el compromiso de la empresa en la mejora continua de las propias capacidades.

















